金屬刮板流量計
▮產品介紹
LBJ型刮板流量計是一種容積式流量計,用來計量在一定壓力下充滿管道的液體流量。由于轉子等速旋轉,其有運轉平穩、無脈動、噪音低、流量大、防砂、計量精度高、使用壽命長和粘度變化適應性強的特點,廣泛應用于石油、化工、輕工、交通、商業等部門,特別適用于原油、渣油、成品油等介質中轉和貿易結算的計量。

▮技術指標
1、準確度等級(量程比為10:1):0.5級、0.2級
2、被測液體溫度℃:-20℃~+100℃;
3、環境溫度:
電子計數器(標配):-30℃~+100℃
機械計數器(選配):-43℃~+100℃
4、信號輸出;可選擇4-20mA模擬量信號、脈沖信號、RS485、HART,如脈沖信號4~20mA(三線制)、
1-5V、4~20mA +HART協議、MODBUS、RS485通訊等
5、防爆標志:ExdⅡCT6
6、防護等級:IP66
7、重復性誤差:流量計的重復性誤差優于±0.03%
8、法蘭標準:GB/T9124.1(其它標準請與廠家溝通)
9、壓力等級:PN16、PN25、PN40、PN63
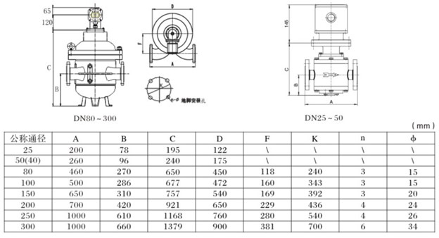
▮外形及安裝尺寸

▮流量范圍

▮產品標記













